Mały gwint żarówki - E14? Oznaczenie i jak rozpoznać
Masz mały gwint żarówki i nie wiesz, czy to E14? Poznaj oznaczenia, zmierz gwint i kup właściwą żarówkę bez pomyłki. Sprawdź nasz przewodnik!
W tej kategorii odkryjesz różnorodne źródła światła, które mogą odmienić każde wnętrze. Nasze artykuły poruszają tematy nowoczesnego oświetlenia, instalacji oraz aranżacji, aby inspirować Cię do twórczych rozwiązań. Dowiesz się, jak dobierać lampy do różnych stylów, jakie trendy panują w oświetleniu oraz jak efektywnie wykorzystać światło w swoim domu. Niezależnie od tego, czy planujesz remont, czy chcesz odświeżyć swoje wnętrze, znajdziesz tu cenne wskazówki i pomysły. Pozwól, że pomożemy Ci stworzyć przestrzeń, w której światło gra główną rolę!
Masz mały gwint żarówki i nie wiesz, czy to E14? Poznaj oznaczenia, zmierz gwint i kup właściwą żarówkę bez pomyłki. Sprawdź nasz przewodnik!
Poznaj diody Cree - rodzaje, parametry, zastosowania. Wybierz idealną diodę LED do projektu i uniknij podróbek. Sprawdź nasz przewodnik!
LEDy nie wypalają się nagle! Dowiedz się, dlaczego tracą jasność, co oznacza L70B50 i jak wydłużyć żywotność swojego oświetlenia.
Żarówka filamentowa - poznaj jej zalety i wady. Przewodnik wyboru pomoże Ci dobrać moc, barwę i kształt do wnętrza. Odkryj, jak stworzyć klimat!
Odkryj naturalne źródła światła: od Słońca po bioluminescencję. Poznaj ich wpływ na zdrowie, nastrój i oszczędności. Sprawdź, jak je wykorzystać!
Halogen co to? Kompleksowy przewodnik o żarówkach halogenowych: działanie, typy, zalety i wady. Porównaj z LED i dowiedz się, jak bezpiecznie wymieniać. Sprawdź!
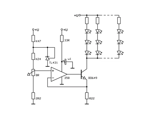
Dioda LED nie świeci? Dowiedz się, czym jest anoda i katoda, jak je rozpoznać oraz prawidłowo podłączyć diodę LED z rezystorem. Sprawdź nasz poradnik!
W-LED czy LED - to marketing? Poznaj różnice w podświetleniu monitorów. Wybierz świadomie, unikając pułapek. Sprawdź nasz poradnik!
Zrozum oznaczenia świetlówek (T8, T5, Ra, K)! Wybierz idealne oświetlenie do biura, domu czy akwarium. Odszyfruj kody i oszczędzaj. Sprawdź, jak!
Budowa żarówki - odkryj, z czego składa się światło! Od Edisona po LED, poznaj działanie i ewolucję oświetlenia. Dowiedz się więcej!
Nie wiesz, jak rozpoznać gwint żarówki? Nasz poradnik krok po kroku wyjaśni, jak zmierzyć gwint, odczytać oznaczenia i kupić odpowiednią żarówkę.
Zastanawiasz się nad LED zamiast świetlówek? Poznaj korzyści (oszczędność, jakość), zakaz RoHS i praktyczny poradnik wymiany krok po kroku. Sprawdź, jak to zrobić!
Zastanawiasz się, co wybrać: LED COB czy SMD? Poznaj kluczowe różnice, wady, zalety i zastosowania obu technologii. Podjęj świadomą decyzję!
Zrozum oznaczenie żarówki A60 - kształt, wymiary, gwint E27. Wybierz energooszczędne LED i uniknij błędów. Sprawdź nasz poradnik!
Gwint E27 - co to? Dowiedz się, jak rozpoznać ten popularny standard, odróżnić go od E14 i wybrać idealną żarówkę LED do domu. Sprawdź!
Poznaj rodzaje żarówek GU10 LED, kluczowe parametry i dobierz idealne światło do kuchni, salonu czy łazienki. Sprawdź, jak unikać błędów!
Wybór świetlówki LED - jednostronna czy dwustronna? Porównaj bezpieczeństwo, montaż i kompatybilność. Sprawdź, którą wybrać do domu czy firmy!
Masz problem z "u niewymiennym"? Opanuj zasady pisowni "u" i "ó" raz na zawsze! Poznaj reguły, przykłady i listę słów. Pisz bez błędów!
LED zintegrowany - co to znaczy? Poznaj zalety i wady tego oświetlenia. Dowiedz się, kiedy warto go wybrać i na co zwrócić uwagę przed zakupem.
COB co to znaczy w oświetleniu LED? Poznaj technologię Chip on Board, jej zalety (jednolita linia światła, wydajność) i wady. Porównaj z SMD i wybierz idealne oświetlenie. Sprawdź!
Nie wiesz, jaki gwint żarówki wybrać? Poznaj rodzaje gwintów E27, E14, GU10, MR16. Uniknij pomyłek z napięciem 12V/230V i wybierz LED. Sprawdź nasz przewodnik!
Opanuj symbol diody LED! Zrozum jego budowę, polaryzację (anoda/katoda) i różnice. Dowiedz się, jak podłączyć fizyczny komponent i uniknij błędów.
Wybierz idealne źródło światła! Poznaj rodzaje, parametry (lumeny, kelwiny, CRI) i dowiedz się, jak dobrać oświetlenie do domu czy biura. Oszczędzaj i zadbaj o zdrowie.
SMD co to? Poznaj technologię montażu powierzchniowego (SMT), różnice z THT i zastosowanie w LED. Zrozum oznaczenia diod i dlaczego SMD to rewolucja w elektronice!
Rozszyfruj parametry żarówki: lumeny, Kelwiny, CRI, gwint. Wybierz idealne oświetlenie do domu i biura, oszczędzając energię. Sprawdź!