Jestem Julita Sobczak, specjalizującą się w nowoczesnym oświetleniu, instalacjach oraz aranżacjach. Od ponad pięciu lat analizuję rynek oświetleniowy, co pozwoliło mi zdobyć głęboką wiedzę na temat najnowszych trendów i technologii w tej dziedzinie. Moim celem jest dostarczanie czytelnikom rzetelnych i aktualnych informacji, które pomogą im w podejmowaniu świadomych decyzji dotyczących oświetlenia ich przestrzeni.
W mojej pracy skupiam się na uproszczeniu złożonych danych oraz obiektywnej analizie dostępnych rozwiązań. Dążę do tego, aby każdy artykuł był nie tylko informacyjny, ale również inspirujący, zachęcający do kreatywnego myślenia o aranżacji przestrzeni. Zależy mi na budowaniu zaufania wśród moich czytelników poprzez dostarczanie wartościowych treści, które są zgodne z ich potrzebami i oczekiwaniami.
Zrozum, co oznacza klasa energetyczna E w nowej skali. Dowiedz się, dlaczego to często dawne A++ i czy warto kupić taki sprzęt. Sprawdź, jak wpłynie na rachunki!
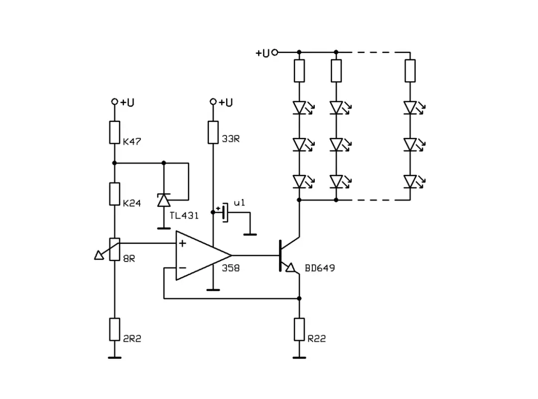
Zbuduj własny ściemniacz LED 12V! Poznaj schematy (NE555, MOSFET), dobór komponentów i praktyczne porady DIY. Uniknij błędów, ściemniaj LED efektywnie.
Smart Life urządzenia - kompleksowy przewodnik po ekosystemie Tuya. Dowiedz się, jak wybrać sprzęt, sterować oświetleniem i automatyzować dom. Zacznij już dziś!
Montaż lamp na elewacji krok po kroku. Dowiedz się, jak bezpiecznie i estetycznie oświetlić dom, dobrać lampy i kiedy wezwać elektryka. Sprawdź koszty!
Pilot Mi Light nie działa? Sprawdź, dlaczego i jak go naprawić! Odkryj proste kroki, by szybko sparować pilota MiBoxer i rozwiązać problem. Poradnik krok po kroku.
Projektant oświetlenia - kim jest i dlaczego warto go zatrudnić? Odkryj, jak profesjonalne światło poprawia komfort, oszczędza i podnosi wartość. Sprawdź!